首页
关于荣华荣
产品展示
应用展示
新闻中心
企业形象
典型案例
在线留言
联系荣华荣
首页
返回
产品展示
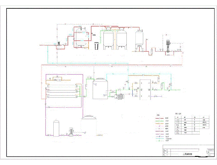
EDI3
信息详细
上一页:
2900阀
下一页:
EDI管道GE
电话:
0755-28755236
邮件
地图
分享
留言
深圳市荣华荣水处理设备有限公司 www.rhrscl.com 版权所有 © Copyright 2017
反渗透水处理设备
超滤设备
EDI超纯水设备
过滤芯及配件
过滤桶
超纯水系统
电控系统
商用纯水机
井水去铁去锰
中水回用设备
污水处理设备
电镀水处理设备
游泳池循环水处理设备
离子交换设备
直饮水设备
膜及膜壳
海水淡化设备
汇通膜